Konstruktion

Schreiben kann man viel, wir wollen Ihnen stattdessen mit vielen Illustrationen einen Eindruck über unsere Arbeiten seit 1985 vermitteln !

Aufgrund der Abbildungen sehen Sie, auf wievielen Feldern des Maschinen-, Vorrichtungs-, Geräte- und Stahlbaus wir seither für unsere Kunden tätig sein durften.

Für Fragen stehen wir Ihnen gerne zur Verfügung.

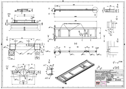
Maschine zur Bearbeitung von Fördergurten

Maschine zur Bearbeitung von Fördergurten

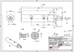
Konstruktionszeichnung Bolzen

(Zum Vergrößern auf Zeichnung klicken)

Konstruktionszeichnung Tragarm

(Zum Vergrößern auf Zeichnung klicken)

Dreistationen-Schweißautomat

Dreistationen-Schweißautomat

Alle Illustrationen sind von unseren Auftraggebern zur Veröffentlichung freigegeben

icon_top04